|
|
|
|
|
DETECT EARTHQUAKES!

This 7 inch long ELF antenna is for use in seismographs.
The antenna has a response of 0.1 Hz to 30 Hz. Solid Mu Metal Core for highest magnetic sensitivity.
Weather-proof.
Part number (mu metal core) 6MU-1H-30H is $ 199.95 + $ 8.00 s/h US Mail Priority.
Part number (Iron core) 6SR-1H-30H is $ 99.95 + $ 8.00 s/h US Mail Priority.
Data Sheet for this ELF antenna
To build this project you will need the following parts shown below on this page, including a 5-gallon plastic bucket, available at LOWES, WAL-MART, or HOME DEPOT, or other hardware store. Don't forget the lid for the bucket.
The following photos show how to build the seismograph from common parts:

PARTS:
Stormwise ELF Antenna Part # 6MU-1H-30H.
5 Gallon plastic bucket with lid. ( LOWES ).
Glass jar with lid. (Grocery Store Item )
1 inch diameter ceramic magnets. Enough to make a stack 4.5 inches tall. ( LOWES ).
16.5 inch long X 0.5 inch CPVC pipe. ( LOWES )
12 oz of clean beach sand from any craft store or ( LOWES )
1/8th inch x 18 inch nylon cord rope. ( LOWES )
TOOLS:
Battery powered drill
5/8 inch drill bit (for drilling holes for CPVC pipe to fit thru).
1/8th inch drill bit ( for drilling hole in CPVC pipe).
Ruler or tape measure.
Hacksaw or PVC pipe cutter.
ASSEMBLY:





Slide the CPVC pipe through the 5/8ths inch holes you drilled in the bucket. Notice how there is more pipe on one side than the other in the photo. This is so you can slide the pipe back and forth to adjust the spacing in the seismograph.









Mark the center of the ELF antenna, and the center point of where the magnet stack is in the jar. These two points should be level with each other when the jar is suspended by the nylon rope.


NOTE: The swing period of the jar should be between 1.0 Hz to 1.2 Hz. This is controlled by the length of the rope suspending the jar. Our seismograph turned out to have a swing period of 1.126 Hz, measured by the FFT function of the data logger ( available from www.dataq.com ) that we are using.


Other methods of dampening are possible if you want to experiment: One way is to place a 1/8th inch thick aluminum plate directly 1/4th inch below the jar, then adding a 2-inch diameter ring magnet to the bottom of the jar, so the magnet will create an opposing field in the aluminum upon jar movement.


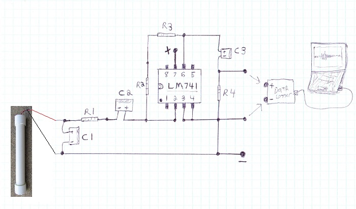
You can build this simple 1 chip ELF Receiver for use in this seismograph.
Parts values shown for tuning to 1 Hz with 6MU-1H-30H for use as a seismograph.

PARTS:
IC1 = LM 741 OP Amplifier IC.
R1 = 22 K-ohms
R2 = 10 Meg ohms
R3 = 10 Meg ohms
R4 = 22 K-ohms
C1 = Tuning value needed for antenna: 100 uF for 1 Hz with 6MU-1H-30H.
C2 = 1 uF
C3 = 100 uF
D1, D2 = 1N914 silicon diodes for static protection (we added them later, see photo below).
Assembly: The circuit can be assembled in less than 30 minutes, cleanly, on an experimenter's breadboard socket. Changes can be quickly made if needed: No soldering, unless you add the binding post connections like shown.



Power the circuit with a 9 volt rechargable battery. The circuit will also work on a 6-volt or 12 volt lantern rechargable battery. Current draw is less than 2 mA for long battery life.
When the power is first turned ON, allow @ 30 seconds for all the capacitors to charge up before the receiver starts working.
The circuit can drive analog volt meters back and forth when an earthquake is detected when used as a seismograph (see the link above on this page for plans).
Connect the output to a data logging volt meter or oscilloscope to allow making graphs of received ELF waveforms. See www.dataq.com for excellent PC data logger hardware and software.
Circuit modifications:If receiving well below 1 Hz, then change C2 to a higher value, such as 10 uF or 47 uF. This may cause circuit to need more time when first turned ON to begin working, up to 3 minutes or more.
C3 can be changed to as high as 4700 uF to pass extremely slow waveforms. Again changing this value will require more start up time when first turned ON, up to 3 minutes or more.
R1 should not be made less than 10 K-ohms.

RECORDING SOFTWARE AND HARDWARE from www.dataq.com.
DATAQ SOFTWARE AND HARDWARE (13 bit data resolution. Best unit, higher signal gain.)
DATAQ SOFTWARE AND HARDWARE (8 bit data resolution. Inexpensive PC data logger.)
Seismic waves have a frequency range between 0.3 Hz to 3 Hz. For best seismograph performance use the center of the band between 1 Hz to 1.5 Hz.